磁铁矿矿石

磁铁矿矿石

鉴定名称: 磁铁矿矿石
岩矿分类: 铜矿
鉴定批次: 2008D0199、220、340 西天山哈勒尕提铜矿
送样编号: 2008D0228-TC851-1-2 磁铁矿矿石 100(-)
实物产地: 西天山哈勒尕提
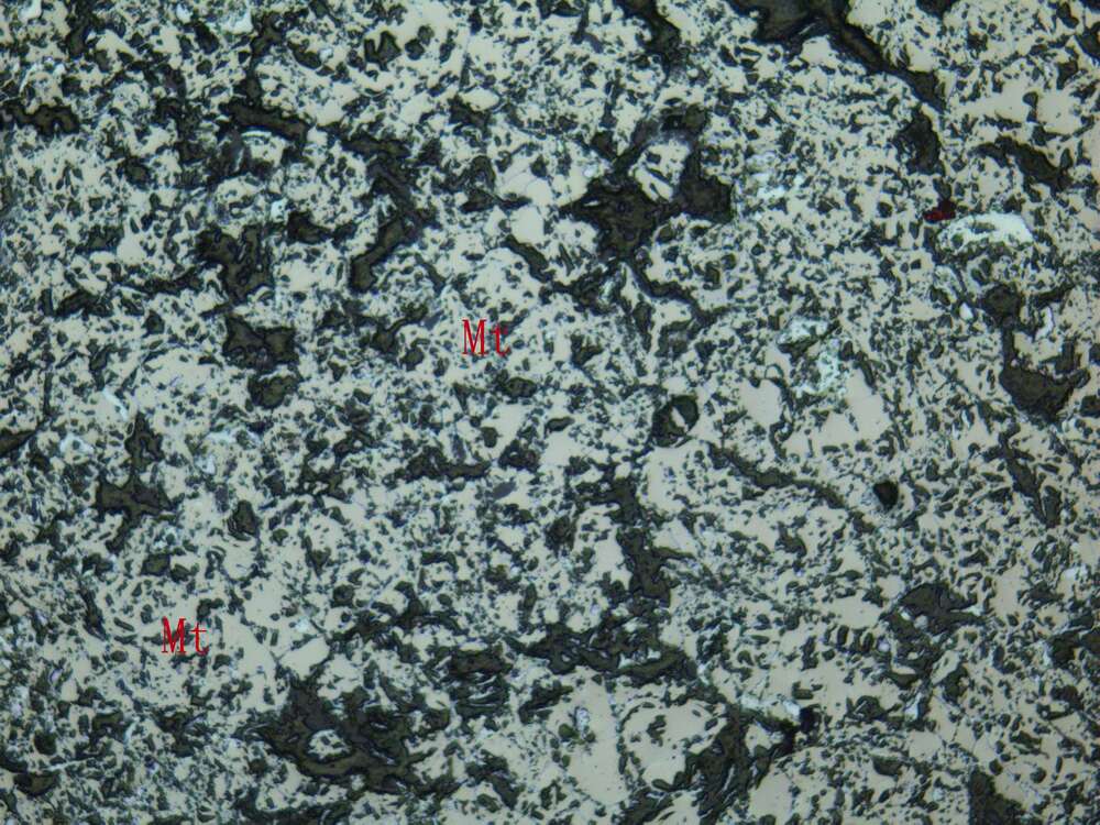
结构构造: 半自形粒状结构,块状构造
主要矿物及含量%: 磁铁矿 70,赤铁矿 3,褐铁矿 2,透明矿物 25
岩石特征描述:   矿石主要由磁铁矿(Mt)构成,沿边缘被赤铁矿交代。 磁铁矿半自形粒状集合体,粒径0.1-0.2mm组成,沿磁铁矿边缘和粒间被叶片状赤铁矿交代磁铁矿,赤铁矿大小0.01×0.02-0.03mm,沿岩石裂隙有褐铁矿的细脉,脉宽0.2-0.5mm,褐铁矿具胶状结构。
鉴定人: 张爱民
审核人: 岳蕴辉