赤铁矿化磁铁矿矿石

赤铁矿化磁铁矿矿石

鉴定名称: 赤铁矿化磁铁矿矿石
岩矿分类: 铜矿
鉴定批次: 2008D0199、220、340 西天山哈勒尕提铜矿
送样编号: 2008D0228-TC791-1-1 赤铁矿化磁铁矿矿石 50(-)
实物产地: 西天山哈勒尕提
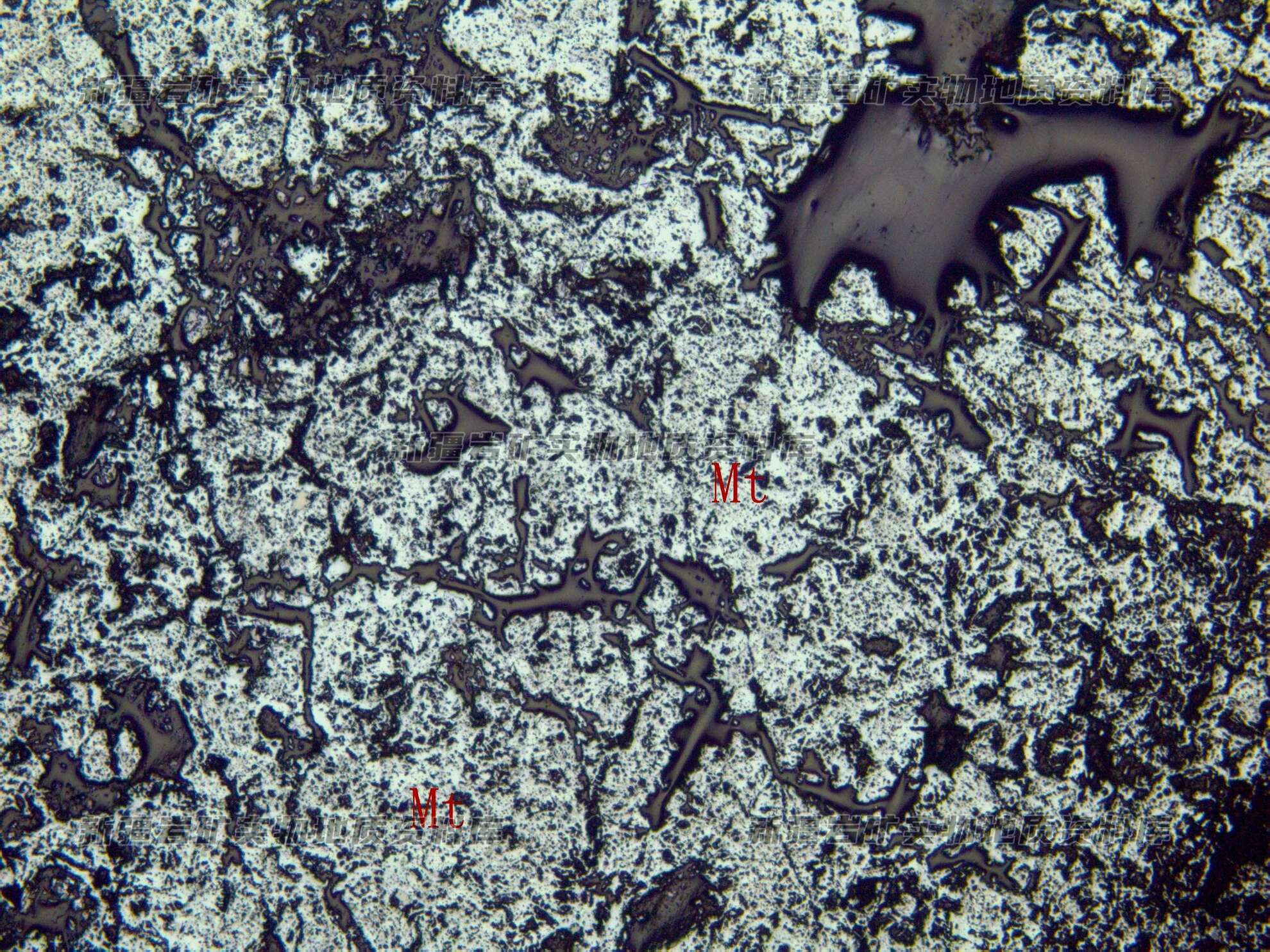
结构构造: 半自形粒状结构,块状构造
主要矿物及含量%: 磁铁矿 70,赤铁矿 20,方解石 8,石英 1,绿泥石 1
岩石特征描述:   矿石中磁铁矿大部分已被赤铁矿取代,具磁铁矿假像。 磁铁矿半自形粒状集合体,磁铁矿粒径0.1-0.5mm,1-2mm,磁铁矿沿边缘赤铁矿化。 沿磁铁矿裂隙被方解石细脉穿入,方解石脉宽由0.1-2mm不等,在方解石脉中有细小粒状石英,大小0.03-0.05mm,同方解石在一起有片状绿泥石。
鉴定人: 张爱民
审核人: 岳蕴辉