蚀变安山岩

蚀变安山岩

鉴定名称: 蚀变安山岩
岩矿分类: 铜矿
鉴定批次: 2008D0199、220、340 西天山哈勒尕提铜矿
送样编号: 2008D0220-BD0518-1-1 蚀变安山岩 100(-)
实物产地: 西天山哈勒尕提
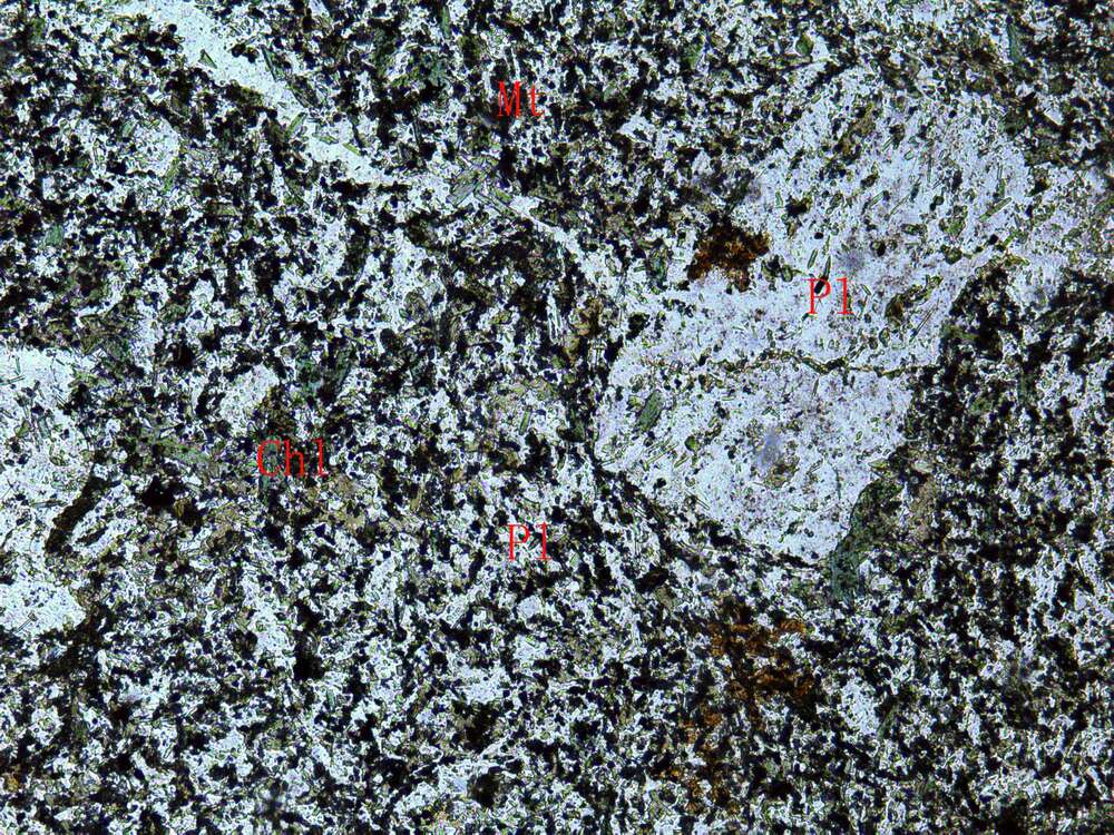
结构构造: 斑状结构,基质交织结构,块状构造
主要矿物及含量%: 斑晶 斜长石25 基质 斜长石40 纤闪石25磁铁矿5 白钛石1 黑云母3
岩石特征描述: 斑晶为斜长石(Pl),基质由板条状斜长石(Pl)、细粒磁铁矿(Mt)和绿泥石(Chl)等构成。 斑晶斜长石板条状,粒度大小不一,略具定向排列,被少量的绢云母、纤闪石替代。暗色矿物斑晶短柱状,粒度细小,少量分布。基质中斜长石微晶,粒度细小,定向排列。微晶间分布细小的纤闪石、磁铁矿、白钛石、少量黑云母等。光片中磁铁矿自形-他形粒状,粒度细小,不均匀的浸染状分布。黄铁矿他形粒状,常呈团粒状,沿裂纹断续分布,少数被针铁矿替代,呈残晶状。
鉴定人: 朱德佑
审核人: 岳蕴辉