新疆岩矿实物资料库
首页
实物资料库
查询检索
学习资料
标准规范
业务联系
登录
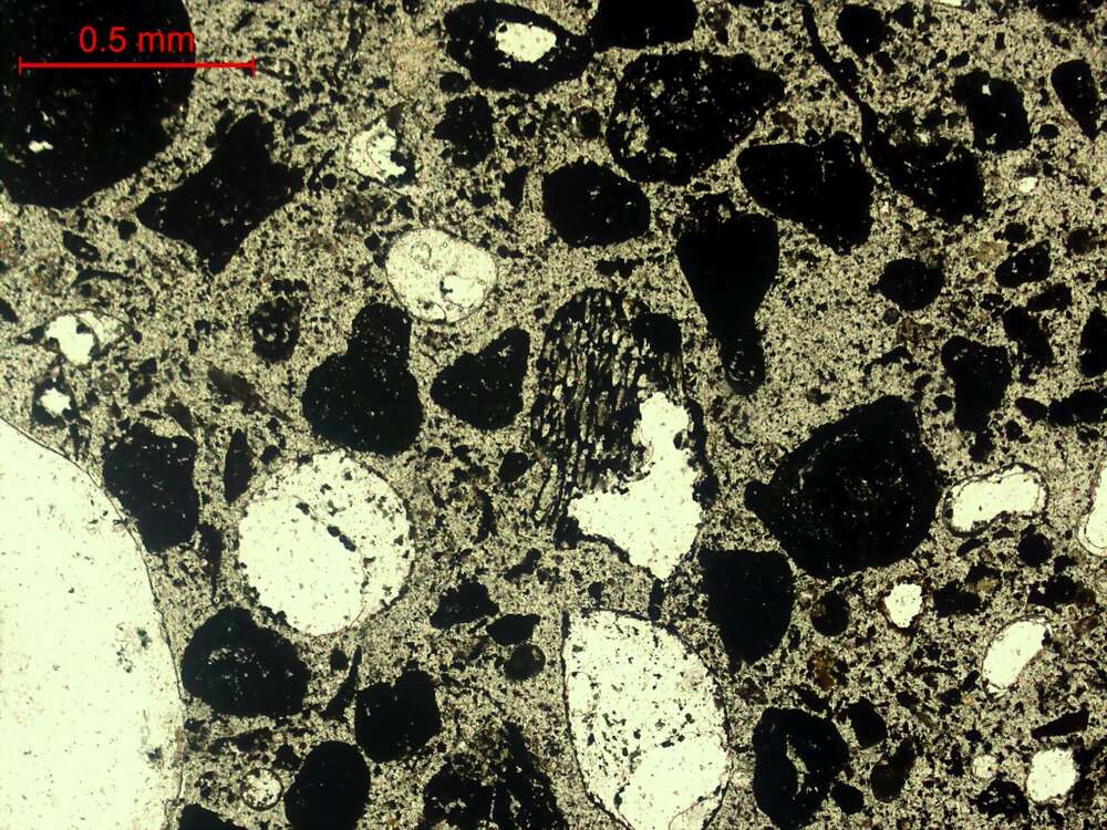
气化炉渣组分形态
鉴定名称:
气化炉渣组分形态
岩矿分类:
烧结岩及冶炼渣
鉴定批次:
2021D0018 煤气化炉渣微观形态研究
送样编号:
2021D0018-32-SHCZ-04-1 残渣、玻璃质(-)
实物产地:
甘泉堡神华煤化
结构构造:
残渣状
主要矿物及含量%:
//
岩石特征描述:
黑色残渣呈碎块状、圆状,玻璃质呈次棱角、圆球状。
鉴定人:
彭玉旋
审核人:
岳蕴辉